## 低噪声放大器(LNA)仿真指南
本章节详细介绍了如何使用Cadence软件对低噪声放大器进行仿真分析,内容涵盖了从基础理论到实际操作的所有关键步骤。
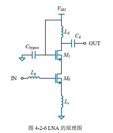
通过阅读这份长达三十多页的教程,您将能够掌握LNA的设计原理及其在射频电路中的应用。
### 功率放大器(PA)仿真教程
接下来的部分专注于功率放大器的设计与仿真过程。
我们不仅会提供详细的参数设定指导,还会展示如何利用特定工具集来优化您的PA模型性能。
此外,每个案例研究都配有清晰的结果图示,帮助读者更好地理解整个流程。
## 混频器(mixer)仿真实验
针对混频器这一重要组件,我们也准备了一份全面的指南。
这部分内容将深入探讨不同类型混频器的工作机制,并通过一系列精心挑选的例子来说明如何在Cadence环境下实现高效准确地模拟。
### 实验资料详情
- **文档长度**:每种设备的教程均约为30页。
- **内容覆盖**:包含但不限于基本概念介绍、具体参数配置方法以及仿真环境搭建等。
- **附加资源**:所有必需的库文件均已打包好供;同时,为了便于学习者验证成果,我们也提供了大量输出结果的屏幕截图。
- **特别福利**:此套件还将获赠618活动期间的专属折扣券以及一套完整的VMware虚拟机软件。
### 快速交付服务
一旦完成流程,系统将立即启动自动发货程序,确保您能在最短时间内收到所需材料。










发货方式
自动:在特色服务中标有自动发货的商品,拍下后,源码类 软件类 商品会在订单详情页显示来自卖家的商品下载链接,点卡类 商品会在订单详情直接显示卡号密码。
手动:未标有自动发货的的商品,付款后,商品卖家会收到平台的手机短信、邮件提醒,卖家会尽快为您发货,如卖家长时间未发货,买家也可通过订单上的QQ或电话主动联系卖家。
退款说明
1、源码类:商品详情(含标题)与实际源码不一致的(例:描述PHP实际为ASP、描述的功能实际缺少、功能不能正常使用等)!有演示站时,与实际源码不一致的(但描述中有"不保证完全一样、可能有少许偏差"类似显著公告的除外);
2、营销推广类:未达到卖家描述标准的;
3、点卡软件类:所售点卡软件无法使用的;
3、发货:手动发货商品,在卖家未发货前就申请了退款的;
4、服务:卖家不提供承诺的售后服务的;(双方提前有商定和描述中有显著声明的除外)
5、其他:如商品或服务有质量方面的硬性常规问题的。未符合详情及卖家承诺的。
注:符合上述任一情况的,均支持退款,但卖家予以积极解决问题则除外。交易中的商品,卖家无法修改描述!
注意事项
1、在付款前,双方在QQ上所商定的内容,也是纠纷评判依据(商定与商品描述冲突时,以商定为准);
2、源码商品,同时有网站演示与商品详情图片演示,且网站演示与商品详情图片演示不一致的,默认按商品详情图片演示作为纠纷评判依据(卖家有特别声明或有额外商定的除外);
3、点卡软件商品,默认按商品详情作为纠纷评判依据(特别声明或有商定除外);
4、营销推广商品,默认按商品详情作为纠纷评判依据(特别声明或有商定除外);
5、在有"正当退款原因和依据"的前提下,写有"一旦售出,概不支持退款"等类似的声明,视为无效声明;
6、虽然交易产生纠纷的几率很小,卖家也肯定会给买家最完善的服务!但请买卖双方尽量保留如聊天记录这样的重要信息,以防产生纠纷时便于送码网快速介入处理。
淘好品声明
1、作为第三方中介平台,依据双方交易合同(商品描述、交易前商定的内容)来保障交易的安全及买卖双方的权益;
2、平台上所有的资源都是亲测无误的,在平台下单安全有保障,有任何问题,可以随时联系在线客服。
测绘眼镜蛇数字水准仪数据仿真与处理4.2.2,无需激活版。天宝DINI...¥37.99
记账本工具小程序源码出售 作者直供 支持自主运营与部署...¥118.88
Unity2022开发的美食小当家游戏源码,高画质烹饪模拟,操作简易适...¥68.8
海康威视摄像头局域网自动发现工具|免IP一键登录画面查看器...¥31.8
苹果iPhone解锁工具UnlockGo 6.0 Windows中文版...¥29.00
从新手到专家:全面掌握ArcGIS模型构建器教程+实用工具+学习资源...¥28.8
三相电流型PWM整流器的仿真与控制策略...¥40.00
PHP多语言跨境电商商城源码 支持商品采集与商家入驻功能...¥90.9
FastAdmin扫码报修系统1.1.0|售后维修小程序...¥68.88
学法减分专业版小程序源码,含30000+题库与多套UI模板...¥129.00
Unity AR涂涂乐项目源码|支持Vuforia高通AR|含海洋动物...¥74.00
2024最新H5话费自动充值系统源码(V03版)|Vue全开源|三网秒...¥118.00
WhatsApp多账号管理:解决所有使用难题...¥50.00
FUXA RRO 1.2.9专业版源码 – 2026年1月7日最新更新...¥129.00
遥辉网络验证系统高配版|大中小纸片+惠享云+正版注册工具全解析...¥80.00
全新niuShop单商户多门店系统5.5.3版本极速!去API化+全插...¥80.00
业界领先的多功能CRC校验工具|支持100+算法|跨平台高效验证...¥29.9
墨督督课程录屏工具|Windows专属高清翻录软件,支持去检测+自动连...¥35.00